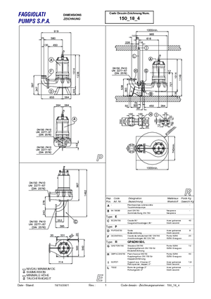
Таблиця з даними для Faggiolati G 418 R3V3-S100AA2

Модель 1998 - 2026 Europe DE

Ця таблиця (PDF) буде надіслана на вашу поштову скриньку після того, як ви вкажете свою адресу електронної пошти.

  • оригінальна таблиця з даними від виробника
  • більше інформації
  • детальна специфікація

*Правила та умови

Застосовується політика конфіденційності компанії LECTURA GmbH, яка також містить додаткову інформацію про можливості виправлення, видалення та блокування моїх даних.

Каналізаційні насоси Faggiolati G 418 R3V3-S100AA2



показати детальну специфікацію